새빛전자 로고

Products


CHIP LED lighting -1204 (Bi-color/Tri-color Series)

LED > REFOND > CHIP LED lighting >

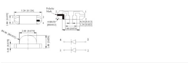
S115/S118:Dimension(L*W*H): 3.2*1.0*1.48mm
Features:
- Low power consumption,high efficiency, long lifetime
- Pure gold wire process for stability security
- High temperature resistance, anti-yellowing resistance and UV resistance chip bonding glue
- Lead free, RoHS-compliant

Application:
- The power signal indicator
- Small size LED backlight